MK网官方站网页版_MK(中国) MTA505 推力和扭矩多轴力传感器
类型:通用型
型号:MTA505
行业:雪鞋测试、电阻点焊、软管膨胀压力测量
型号:MTA505
行业:雪鞋测试、电阻点焊、软管膨胀压力测量




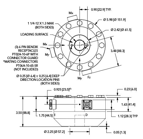
| 量程 | Fz:44482, 111205 N |
| Mx、My:226, 1129 N | |
| 非线性(Mx, My) | ±0.5% of RO |
| 非线性(Fz) | ±0.2% of RO |
| 激励 | 18 |
| 桥路电阻 | 350 Ohm nom |
| 绝缘电阻 | ≥500 MOhm @ 50 VDC |
| 电缆 | (3)6针 BENDIX 插座(PT02E-10-6P) |
| 重量 | 9.3 kg |
| 过载保护 | 150% of RO |
| 材质 | 17-4 PH 锈钢 |
| 防护等级 | IP65 |
| 操作温度 | -54 to +93 ℃ |




电话020-85262155
邮箱sales@omgl.com.cn